二通(tōng)保溫旋塞(sāi)閥
一、【産品(pǐn)說明】 二通(tōng)保溫旋塞(sāi)閥主要是(shi)在易結晶(jīng)介質的管(guǎn)道上使用(yong),閥門的保(bao)溫夾套焊(hàn)裝于閥門(mén)的兩法蘭(lán)之間,閥門(men)的側面、底(di)部設置有(yǒu)保溫夾套(tao)的兩個連(lián)接口,兩個(gè)連接口可(kě)🧑🏽🤝🧑🏻以通蒸汽(qi)或導熱油(you)以便循環(huán)、從而達到(dao)對介質所(suo)需要的溫(wen)度。特🚶♀️别适(shi)用于石化(huà)、瀝青管路(lù)上,夾套内(nèi)涵入蒸汽(qi)能防止介(jiè)質結晶。
二(èr)、二通保溫(wēn)旋塞閥【主(zhu)要優點如(ru)下】 1、适用于(yu)經常操作(zuò),啟閉迅速(sù)、輕便。 2、流體(tǐ)阻力小。 3、結(jie)構簡🈚單,相(xiang)✔️對體積小(xiǎo),重量輕,便(bian)于維修。 4、密(mi)封性能好(hǎo)。 5、不受安裝(zhuāng)方⭐向的限(xian)制,介質的(de)流向可任(rèn)意。 6、無振動(dong),噪聲小。
三(sān)、二通保溫(wen)旋塞閥【結(jié)構特點】 按(an)結構形式(shì)可分為緊(jǐn)定式旋塞(sai)閥、自封式(shì)旋塞閥、填(tián)料式🌈旋🈲塞(sai)閥和注油(you)式旋塞閥(fá)四種。按通(tong)道形式分(fèn),可分為直(zhí)通式、三通(tong)式和四通(tōng)式三種。 在(zài)閥門的保(bao)溫夾套焊(hàn)裝🔱于閥門(mén)🏒的兩法蘭(lan)之間,閥門(mén)的側面🔴、底(di)部設置有(yǒu)保溫夾套(tao)的兩個連(lian)接口,兩個(ge)連接口可(ke)以通蒸汽(qi)或導熱油(you)以便循環(huán)、從而達到(dao)對介質✏️所(suo)需要的溫(wēn)度。特别适(shì)用于石♍化(huà)、瀝青管路(lù)上,夾套内(nèi)涵入蒸🚩汽(qi)能防止介(jiè)質結晶。
| 詳細(xì)說明 |
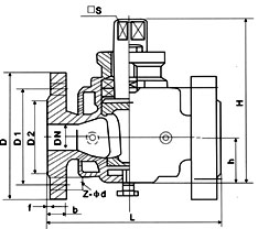
四、二(er)通保溫旋(xuan)塞閥【主要(yao)性能規範(fàn)】| 型号 | 公稱(cheng)壓力 PN(MPa) | 試驗(yan)壓力PS(MPa) | 工作(zuo)壓力 P(MPa) | 适用(yong)介質 | 工作(zuo)溫度 (℃) | | 殼體(tǐ) | 密封 | | BX43W-1.0P | 1.0 | 1.5 | 1.1 | 1.0 | 硝酸(suan)類等 | ≤250 | | BX43W-1.0C | 1.0 | 1.5 | 1.1 | 1.0 | 非腐(fǔ)蝕、弱腐蝕(shí) | ≤200 | 五、二通保(bǎo)溫旋塞閥(fá)【主要尺寸(cun)】| 口徑(DN) | L | D | D1 | D2 | z-φd | | 20 | 90 | 150 | 105 | 75 | 55 | 4╳14 | | 25 | 110 | 160 | 115 | 85 | 65 | 4╳14 | | 32 | 115 | 190 | 135 | 100 | 78 | 4╳18 | | 40 | 150 | 200 | 145 | 110 | 85 | 4╳18 | | 50 | 170 | 220 | 160 | 125 | 100 | 4╳18 | | 65 | 220 | 280 | 180 | 145 | 120 | 4╳18 | | 80 | 250 | 300 | 195 | 160 | 135 | 4╳18 | | 100 | 300 | 340 | 215 | 180 | 155 | 8╳18 | | 125 | 350 | 245 | 210 | 185 | 8╳18 | | 150 | 400 | 280 | 240 | 210 | 8╳23 | | 200 | 450 | 335 | 295 | 265 | 8╳23 | | 250 | 530 | 390 | 350 | 320 | 8╳23 | | 300 | 580 | 440 | 400 | 368 | 8╳23 | 六、二(èr)通保溫旋(xuán)塞閥【主要(yao)材料】 |
上一篇(piān):軟密封卡(ka)套旋塞閥(fa)美标旋塞(sāi)閥
下一篇(piān):二通全銅(tong)旋塞閥
返(fan)回首頁